广州南创厂家供称重传感器、压力传感器和位移等传感器
全国统一服务热线 020-82303306
在线客服

主营世界传感器品牌、品种齐全。中国的,世界的工业备品备件分销商。

优势一:广州南创是一家大型传感器、仪器仪表、工业备品备件供应商!中国传感器联合会诚信“AAA”级成员,多家世界知名传感企业中国市场开拓核心合作伙伴;

优势二:完善的全国销售服务网络:12个区域办事处、20个分公司、遍布全国的售后服务网点,为您及时便捷实现上门无忧售后服务;

优势三:为国内多家知名大中型工业企业、航天工业企业提供国际工业自动化控制检测设备及工业称重系统和传感器设备仪表,紧密依托中科院及清华大学的技术支持合作交流。技术、产品可靠值得信赖;

优势四:郑重承诺:三个月内产品有质量问题无条件退换货;

优势五:资深工程师为您提供全方位完善的一条龙销售服务指导,售前专业方案设计、产品选型指导,售中安装调试,售后三年上门免费跟踪维修服务;

优势六:全国优势价格支持销售,凡在我们公司购买产品,如果同类产品高于主流市场价格,我们双倍补还差价,性价比高!

优势七:我公司在国外设有7个境外专业采购中心,保证原装进口,货期快捷,价格具有优势,可靠、放心

优势八:我公司代理经销169个品牌,全国同类产品系列全、品种多、多家知名企业中国合作伙伴代理。

拥有全国八千多家固定合作客户
  • 杭州橡胶集团有限公司
  • 华润水泥控股有限公司
  • 上海宝钢集团公司
  • 新希望集团控股有限公司
  • 洛阳浮法玻璃集团有限责任公司
  • 河南恒大化工有限公司
  • 玖龙纸业控股有限公司
  • 神华煤炭集团
  • 哈药集团医药有限公司
  • 三一重工
  • 鞍山钢铁集团公司
  • 道达尔石化中国有限公司
  • 中国石油化工股份有限公司
  • 广州蓝月亮实业有限公司
  • 比亚迪股份有限公司
  • 合作企业太多,只列举部分企业…

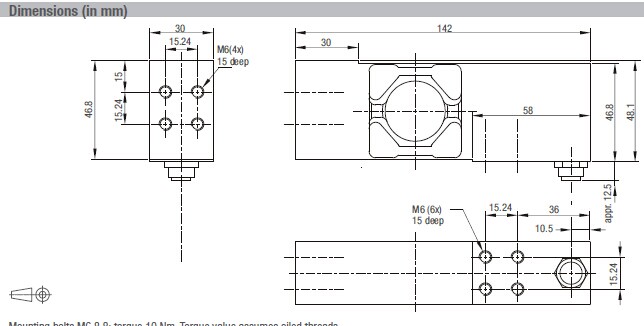
PC6D

特性:nHd广州南创电子科技有限公司

德国富林泰克PC6D称重传感器的结构比较简单,测量精度高,适用范围广产生机械变形在外力作用下,使由此产生的变化的电阻值相应。电阻应变计主要有两种类型的金属和半导体,金属应变仪金属丝式,箔,薄膜式分,绝大多数在称重或电阻应变式称重传感器使用的产品,可在环境相对较差的使用,因此已被广泛用于称量。nHd广州南创电子科技有限公司

nHd广州南创电子科技有限公司

产品名称:称重传感器nHd广州南创电子科技有限公司

产品国别:德国FLINTEC称重传感器nHd广州南创电子科技有限公司

产品系列:PC6D  nHd广州南创电子科技有限公司

产品类型:德国富林泰克称重传感器nHd广州南创电子科技有限公司

20公斤容量nHd广州南创电子科技有限公司

不锈钢结构nHd广州南创电子科技有限公司

环境保护IP68完全密封条nHd广州南创电子科技有限公司

带内置单片机,A/ D转换和可选数字滤波数字式称重传感器nHd广州南创电子科技有限公司

配有可开关的总线终端CANopen接口nHd广州南创电子科技有限公司

最大。转化率高达1200/秒nHd广州南创电子科技有限公司

1软件触发和4软件设定点nHd广州南创电子科技有限公司

固件下载nHd广州南创电子科技有限公司

最大平台尺寸可达nHd广州南创电子科技有限公司

450×450毫米nHd广州南创电子科技有限公司

一体式安装垫片nHd广州南创电子科技有限公司

集成电缆插口nHd广州南创电子科技有限公司

nHd广州南创电子科技有限公司

主要特点 nHd广州南创电子科技有限公司
该类型PC6D称重传感器是完全密封的密封和集成电缆插口类型PC6单点式称重传感器的数字版本。这是一个非常适合在恶劣的工业环境中使用和冲洗应用。nHd广州南创电子科技有限公司

类型PC6D是专门为像填充和检查秤的应用程序动态称重流程设计。nHd广州南创电子科技有限公司

CANopen接口提供了一个简单的连接到电脑,PLC等系统。nHd广州南创电子科技有限公司

对于典型PC6D有可用2固件版本。nHd广州南创电子科技有限公司

默认固件:“自动称重控制器”动态称重校验秤或多头秤。nHd广州南创电子科技有限公司

可选固件:“流体灌装控制器”定量液体,颗粒或粉末的过程。nHd广州南创电子科技有限公司

选项nHd广州南创电子科技有限公司

2固件版本nHd广州南创电子科技有限公司

底板具有过载停机nHd广州南创电子科技有限公司

应用nHd广州南创电子科技有限公司

台秤,皮带秤,校验秤,包装机和工业过程控制nHd广州南创电子科技有限公司

nHd广州南创电子科技有限公司

如果利用这一特性来测量体电阻值的电阻连接到一个桥接器的形式的衬底,电阻值的变化,桥的不平衡将产生一个相应的输出,当基片是由外力而变形时,德国FLINTEC称重传感器PC6D变化与当基片是由外力而变形时,电阻值的变化,桥的不平衡将产生一个相应的输出。nHd广州南创电子科技有限公司

与德国FLINTEC称重传感器PC6D产品类似,其它可替代产品型号推荐:nHd广州南创电子科技有限公司

(请点击带颜色地方)nHd广州南创电子科技有限公司

Tedea 3510单点式称重传感器nHd广州南创电子科技有限公司

1040-50kg称重传感器nHd广州南创电子科技有限公司

德国hbm称重传感器S40AC3/3TnHd广州南创电子科技有限公司

德国hbm称重传感器Z6FD1/100kgnHd广州南创电子科技有限公司


本站内容未经许可禁止复制转载!©2002 广州南创电子科技有限公司

联系电话:020-82303306 公司传真:020-82303511下班及双休日请拨打各品牌负责人电话电话详情

备案号: 粤ICP备11086172号-1

经营性网站备案信息 安全网络中心 信息中心