11年专业销售工程师-徐工
15年专业销售工程师-谢工
9年专业销售工程师-王工
6年销售工程师-张工
项目产品选型、技术指导高级电器工程师-李工
| 分类 | |
| 品牌 |
| 分类 | |
| 品牌 |
| 分类 | |
| 品牌 |
| 分类 |
|
| 品牌 |
|
优势一:广州南创是一家大型传感器、仪器仪表、工业备品备件供应商!中国传感器联合会诚信“AAA”级成员,多家世界知名传感企业中国市场开拓核心合作伙伴;
优势二:完善的全国销售服务网络:12个区域办事处、20个分公司、遍布全国的售后服务网点,为您及时便捷实现上门无忧售后服务;
优势三:为国内多家知名大中型工业企业、航天工业企业提供国际工业自动化控制检测设备及工业称重系统和传感器设备仪表,紧密依托中科院及清华大学的技术支持合作交流。技术、产品可靠值得信赖;
优势四:郑重承诺:三个月内产品有质量问题无条件退换货;
优势五:资深工程师为您提供全方位完善的一条龙销售服务指导,售前专业方案设计、产品选型指导,售中安装调试,售后三年上门免费跟踪维修服务;
优势六:全国优势价格支持销售,凡在我们公司购买产品,如果同类产品高于主流市场价格,我们双倍补还差价,性价比高!
优势七:我公司在国外设有7个境外专业采购中心,保证原装进口,货期快捷,价格具有优势,可靠、放心
优势八:我公司代理经销169个品牌,全国同类产品系列全、品种多、多家知名企业中国合作伙伴代理。
关于HM9B-C3-30t-12B,详情可点击:ZEMIC传感器;查找了解称HM9B-C3-30t-12B重传感器传感器具体参数技术及相关系列产品型号等信息。
BM3-C3-200klb ZEMIC称重传感器产品性能特点描述:
ZEMIC BM3-C3-200kg称重传感器产品图片:

产品类型: 称重传感器系列
产品名称:美国HM9B-C3-30t-12B称重传感器
产品品牌:美国ZEMIC称重传感器
产品型号:HM9B-C3-30t-12B
特性:
HM9B-C3-30t-12B称重传感器分辨力感受到的被测量的最小变化的能力,也就是说,如果输入量从某一非零值缓慢地变化。当输入变化值未超过某一数值时,传感器的输出不会发生变化,即传感器对此输入量的变化是分辨不出来的。只有当输入量的变化超过分辨力时,其输出才会发生变化。
输出信号:(4~20)mA、(0~10/20)mA
BM3-C3-200kg称重传感器控制方式:常闭、常开
输出电阻Ω700±7
测量范围: 0~250Pa -500Pa~500Pa 0~2.5kPa 或其它量程
精度等级: 典型±0.25%FS,最大±0.5%FS (包含非线化、迟滞性和重复性)
过载能力: 同一量程代号的上限量程的、3倍
测量介质: 非腐蚀性气体等介质。
美国ZEMIC HM9B-C3-30t-12B称重传感器相关技术参数:
供电电源:15~36 VDC(标定电压24VDC)
温度补偿范围-10ºC to + 40ºC
HM9B-C3-30t-12B称重传感器供电电源 24V DC±10%
安全载荷150%
工作温度范围: -40~80℃
长期稳定性: 不大于0.2%FS/年
输出形式 1、电流输出: 4~20mA 0~10mA DC 2、电压输出:0~5V 1~
输出信号4—20mA(二线制)或 0—10mA(三线制)5V DC
综合精度 1、0.1%FS 2、 0.3% FS 3、 0.5%FS
可用温度范围-10ºC to + 70ºC
响应时间平均值≤350mS 真有效值≤100mS
推荐激励电压V5〜12
HM9B-C3-30t-12B长期稳定性:小于0.3%FS/年
负载能力:电流型≤500W; 电压型 ≥100KW
存贮温度: -40~120 ℃
精度等级:0.1、0.25、0.5
HM9B-C3-30t-12B称重传感器励磁最大V18
安装方式TS35mm导轨安装,或用螺钉固定在柜体上
HM9B-C3-30t-12B称重传感器过载能力:量程的2~5倍
流通流体温度: <+60℃、<+120℃、<+200℃
流通流体压力:-0.1bar,真空
FS≤±1.5%的结余为零
输入电阻Ω700±7
环境温度工作:-25~+70℃;存贮:-40~+80
湿度≤90%RH,不结露,无腐蚀性气体场所
HM9B-C3-30t-12B称重传感器测量和传力称重传感器一样不受流体密度、粘度、温度、压力和电导率变化影响。
国际标准电压:AC(380、240、220、24)V、DC(110、24)V
技术参数图:

除ZEMIC HM9B-C3-30t-12B称重传感器之外的其它相与HM9B-C3-30t-12B传感器相关联的型号:
BM14K-C3-40t-20B6,BM14K-C3-50t-20B6,BM14K
H8B-C3-4.0t-3.5B6,H8B-C3-5.0t-3.5B6
TRC-50kg TRC-100kg TRC-1000kg TRC-300kg TRC-500kg
OSBHA-5klbs OSBHA-10klbs OSBHA-20klbsOSBHB-1000kg
CBES-1t CBES-2t CBES-3t CBES-5tf CBES-10tf CBES-20tf
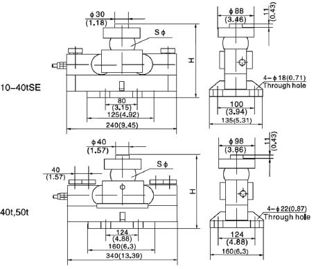
产品尺寸图:

一体化HM9B-C3-30t-12B称重传感器一般由测温探头(热电偶或热电阻传感器)和两线制固体电子单元组成。采用固体模块形式将测温探头直接安装在接线盒内,从而形成一体化的变送器。一体化温度变送器一般分为热电阻和热电偶型两种类型。
本站内容未经许可禁止复制转载!©2002 广州南创电子科技有限公司
联系电话:020-82303306 公司传真:020-82303511下班及双休日请拨打各品牌负责人电话电话详情
备案号: 粤ICP备11086172号-1