11年专业销售工程师-徐工
15年专业销售工程师-谢工
9年专业销售工程师-王工
6年销售工程师-张工
项目产品选型、技术指导高级电器工程师-李工
| 分类 | |
| 品牌 |
| 分类 | |
| 品牌 |
| 分类 | |
| 品牌 |
| 分类 |
|
| 品牌 |
|
优势一:广州南创是一家大型传感器、仪器仪表、工业备品备件供应商!中国传感器联合会诚信“AAA”级成员,多家世界知名传感企业中国市场开拓核心合作伙伴;
优势二:完善的全国销售服务网络:12个区域办事处、20个分公司、遍布全国的售后服务网点,为您及时便捷实现上门无忧售后服务;
优势三:为国内多家知名大中型工业企业、航天工业企业提供国际工业自动化控制检测设备及工业称重系统和传感器设备仪表,紧密依托中科院及清华大学的技术支持合作交流。技术、产品可靠值得信赖;
优势四:郑重承诺:三个月内产品有质量问题无条件退换货;
优势五:资深工程师为您提供全方位完善的一条龙销售服务指导,售前专业方案设计、产品选型指导,售中安装调试,售后三年上门免费跟踪维修服务;
优势六:全国优势价格支持销售,凡在我们公司购买产品,如果同类产品高于主流市场价格,我们双倍补还差价,性价比高!
优势七:我公司在国外设有7个境外专业采购中心,保证原装进口,货期快捷,价格具有优势,可靠、放心
优势八:我公司代理经销169个品牌,全国同类产品系列全、品种多、多家知名企业中国合作伙伴代理。
【广州★南创】RHM0035MD701S2G1106位移传感器曲线玲珑,端庄典雅,价优质美,令您好拥有凉爽的感受,轻盈、柔和、大方的美国MTS位移传感器RHM0035MD701S2G1106展示出你个人的风格;RHM0035MD701S2G1106传感器柔和的美感,舒适的服务,全面的技术支持,还您新一个自己。
RHM0035MD701S2G1106位移传感器产品图片:
品牌:美国MTS位移传感器
产品类型:RHM0035MD701S2G1106 位移传感器
产品型号:RHM0035MD701S2G1106
RHM0035MD701S2G1106位移传感器特性:
坚固可靠工业用位移传感器
直线测量输出
LEO指示灯诊断功能
无接触测量,没有磨损
超高的精度,线性度达0020/.
重复精度达OO010/.
直接输出位置和速度,输出模式
模拟/SSI' CA№us J Profibus-DP/EtherCAT
多重位置测量单一传感器最多可测20个位置输出
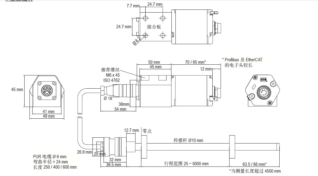
RH4型是MTS 2000年推出的最新型号用以取代日的RH (SS输出)和RH3(Profibus输出)。RH4的输出模式I司时耵擎模拟,CANbus,DeviceNel,Profibus,EtherCAT等。它也可以取替现有的LD与LD2型带模拟输出传感器
RH4犁是-个在最苛刻的环境条件下仍能持续正常运作的理想传感器。传感器头部封装了完整的电子接口模块来处理电子信号。双重灌封保证了高度的操作安全性和最优化的EMC保护。位置测量是通过一个崮定在运动机械部分的7X磁铁,沿着传感删杆做无接触运动来感应。

美国MTS RHM0035MD701S2G1106位移传感器参数:
参数 位置或速度
输入 多位置测量,单传感器最多叮洲20个位置
输出 测量数据 测量范同25 mm - s000 mm
界面 模拟:满量程的0 01%1数+#:‘±10 U…
分辨率 根据输出不同
线性度 满量程的‘±O 0011/o(最小±25iJm)
重复精度 满量程的‘i002%(最小±50 pm)
滞后 <4Um
工作条件
磁铁速度 电子鄙份为IP6/(配对接头必须锁紧)
T作温度 40度+75 0C
湿度/露电 湿度90%,不能结露
保护 IP65装有侧面线缆连接部的测量杆
IP30装有底卣平板连接头的删量杆
冲击指标 100 9(单冲击)/IEC标准68 2 27
振荡指标 10 q』100 2000 Hz/ IEC标准68_2_6
故障指不 LEO显而灯置j接火旁边
传感器又 钭挤址成型
传感杆和法兰 不锈钢1 4301/AISI 304
外管压山 350 bar/ 700 bar(峰值)
位置磁铁 环形磁铣
接头选掣 接头或直出电缆(按输出而定)
输入电压 +24 Vdc C-15 +201/eol
极性倮护 最大30 Vdc
趟压倮护 最大36 Vdc
耗电量 般100 mA
波动 <1% ss
RH4型适合安装于油缸内·特别适用于两端都带u形吊环的油缸,或者受空司限制的油缸应用RHM0035MD701S2G1106位移传感器的组成部分包括一条带有螺纹或紧压密封安装法兰的耐压不锈钢管,它为感应元件提供保护。整支传感杆通过括塞孔装入活塞内。外部连接的电于头(达IP 67防护等级)将传感器信号处理部份和接口部分封装在内,与感应杆的连接可通过接合板侧面或底商的电缆进线。EMC i删试-放射EN 50081-1,拉扰EN 500822,EN 61000_4-2rV4/6.等缎W4.A黄,CE认讧
RHM0035MD701S2G1106位移传感器的相关型号:
RHM0035MD701S2G1106 RHM0035MD701S2G1106 RHM0035MD701S2G1106
RHM0035MD701S2G1106 RHM0035MD701S2G1106 RHM0300MD621C1012
RH-M-0450M-D70-1-S2G6106 RH-M-0300M-D70-1-S2G106 RH-M-0200M-D70-1-S2G106
RH-M-0090M-D70-1-S2G106 RH-M-0350M-D70-1-S2G106 ARS60-AAA08192
ARS60-AAA08192编码器 K3SG463H701/711:11K46HHTED150K46HHTED750K46HHTED1Cbs
K3SG463H706:5C46HHTED10Cbs K3SG463H716:5C46HHTED10C46HHTED50C46HHTED11Cbs
K3SG463H111/1011:1C46HHTED5C46HHTED10C46HHTED 31MMZW24H,51MMZW24H,
K3SG463H1106/1116:5C46HHTED10C46HHTED50C46HHTED 150MMZW24H,61MMZW
K3SG463H1103/1113:5C46HHTED10C46HHTED50Cbs 750MMZW24H,
K3SG463H123/613:15MMZW24H,50MMZW24H,11MMZW24H,61MMZW24H,51MMZW24H,,
K3SG463H124/614:15MMZW24H,50MMZW24H,11MMZW24H,61MMZW24H,51MMZW24H,
K3SG463H703:10MMZW24H,15MMZW24H,50MMZW24H,75MMZW24H,11MMZW24H,24H,
IFS302:15I,25I,35I,1HR463NH,2HR463NH,3HR463NH IFS304:15I,25I,35I,35I,2HR463NH,3HR463NH,10HR463NH,20HR463NH,30HR463NH
IFS303/313:15I,25I,35I,1HR463NH,2HR463NH,10HR463NH,20HR463NH,30HR463NH
3SG463HWY6:100Mb,60Mb,500Mb,750Mb,1KMb,2KMb,3KMb,5KMb,10KMb,6KMb
K3SG463HF911-13:130MMZW24H K3SG463HF901-16:61MMZW24H K3SG463HFWD:1MMZW24H,6MMZW24H,5MMZW24H,10MMZW24H,12MMZW24H,50MMZW24H,
11MMZW24H,61MMZW24H ED40H36DSHs K3SG463H115:150K46HHTED51K46HHTED1H36DSHs
K3SG463HU3SG463H:11MMZW24H,150MMZW24H,51MMZW24H,1Cb,6.5H36DSH K3SG463HUW:11MMZW24H,150MMZW24H,51MMZW24H,1H36DSH,6H36DSH,6H36DSH,10H36DSH
K3SG463H101:15K46HHTED50K46HHTED11K46HHTED61K46HHTED150K46HHTED51K46HHTE
D1C46HHTED6C46HHTED6.5C46HHTED3C46HHTED5C46HHTED10C46HHTED12C46HHTED15C46
HHTED30C46HHTK3SG463H105:15K46HHTED50K46HHTED11K46HHTED61K46HHTED150K46HHTED51K46HHTED1H36DS
手握美国MTS RHM0035MD701S2G1106位移传感器,好运自然来! 万般皆下品,惟有南创RHM0035MD701S2G1106传感器高!离乡背井冷清清,回家过年是一定;MTS RHM0035MD701S2G1106位移传感器送给您一片温暖,献给您一片深情!
本站内容未经许可禁止复制转载!©2002 广州南创电子科技有限公司
联系电话:020-82303306 公司传真:020-82303511下班及双休日请拨打各品牌负责人电话电话详情
备案号: 粤ICP备11086172号-1