广州南创厂家供称重传感器、压力传感器和位移等传感器
全国统一服务热线 020-82303306
在线客服

主营世界传感器品牌、品种齐全。中国的,世界的工业备品备件分销商。

优势一:广州南创是一家大型传感器、仪器仪表、工业备品备件供应商!中国传感器联合会诚信“AAA”级成员,多家世界知名传感企业中国市场开拓核心合作伙伴;

优势二:完善的全国销售服务网络:12个区域办事处、20个分公司、遍布全国的售后服务网点,为您及时便捷实现上门无忧售后服务;

优势三:为国内多家知名大中型工业企业、航天工业企业提供国际工业自动化控制检测设备及工业称重系统和传感器设备仪表,紧密依托中科院及清华大学的技术支持合作交流。技术、产品可靠值得信赖;

优势四:郑重承诺:三个月内产品有质量问题无条件退换货;

优势五:资深工程师为您提供全方位完善的一条龙销售服务指导,售前专业方案设计、产品选型指导,售中安装调试,售后三年上门免费跟踪维修服务;

优势六:全国优势价格支持销售,凡在我们公司购买产品,如果同类产品高于主流市场价格,我们双倍补还差价,性价比高!

优势七:我公司在国外设有7个境外专业采购中心,保证原装进口,货期快捷,价格具有优势,可靠、放心

优势八:我公司代理经销169个品牌,全国同类产品系列全、品种多、多家知名企业中国合作伙伴代理。

拥有全国八千多家固定合作客户
  • 杭州橡胶集团有限公司
  • 华润水泥控股有限公司
  • 上海宝钢集团公司
  • 新希望集团控股有限公司
  • 洛阳浮法玻璃集团有限责任公司
  • 河南恒大化工有限公司
  • 玖龙纸业控股有限公司
  • 神华煤炭集团
  • 哈药集团医药有限公司
  • 三一重工
  • 鞍山钢铁集团公司
  • 道达尔石化中国有限公司
  • 中国石油化工股份有限公司
  • 广州蓝月亮实业有限公司
  • 比亚迪股份有限公司
  • 合作企业太多,只列举部分企业…

RH10X-100t称重传感器法国Scaime

k5O广州南创电子科技有限公司
产品名称:RH10X-100t称重传感器法国Scaimek5O广州南创电子科技有限公司
品牌英文名称:法国Scaime load cellk5O广州南创电子科技有限公司
品牌中文名称:法国世感称重传感器k5O广州南创电子科技有限公司
产品类型:不锈钢高容量压缩称重传感器k5O广州南创电子科技有限公司
产品型号: RH10X-100tk5O广州南创电子科技有限公司
我们郑重承诺:“三个月内不满意随时无条件退换货, 退还全部货款,不收任何费用,质保两年,提供终身免费维护!”k5O广州南创电子科技有限公司
法国Scaime称重传感器RH10X-100T产品特性:k5O广州南创电子科技有限公司
最高精准度达 ±0.2%k5O广州南创电子科技有限公司
球形称重按钮, 用于完全载荷对齐k5O广州南创电子科技有限公司
用于罐体或筒仓称重和高度测量的理想称重传感器k5O广州南创电子科技有限公司
称重传感器,由不锈钢制成,密封焊接至防护等级 IP68k5O广州南创电子科技有限公司
容量:100、200、300、500、750、1000吨k5O广州南创电子科技有限公司
法国世感Scaime称重传感器RH10X-100T产品参数图:k5O广州南创电子科技有限公司
 k5O广州南创电子科技有限公司
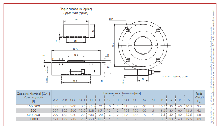
法国Scaime称重传感器RH10X-100T产品尺寸图:k5O广州南创电子科技有限公司
k5O广州南创电子科技有限公司
法国SCAIME传感器所有量程型号:k5O广州南创电子科技有限公司
RH10X-100Tk5O广州南创电子科技有限公司
RH10X-200Tk5O广州南创电子科技有限公司
RH10X-300Tk5O广州南创电子科技有限公司
RH10X-500Tk5O广州南创电子科技有限公司
RH10X-750Tk5O广州南创电子科技有限公司
RH10X-1000Tk5O广州南创电子科技有限公司
拓展阅读:k5O广州南创电子科技有限公司
称重传感器的使用注意事项:k5O广州南创电子科技有限公司
正确使用称重传感器可以有效提高传感器的工作效率及其使用稳定性。k5O广州南创电子科技有限公司
1.在使用法国SCAIME RH10X-1000T称重传感器时注意传感器周边环境的变化,在使用前检查传感器的外表及其他配件是否存在磨损、破裂等现象。k5O广州南创电子科技有限公司
2.在RH10X-100T称重传感器工作期间注意避免工业生产产生的灰尘、工业废料进入法国SCAIME传感器内部,及时清理法国SCAIME传感器周围的灰尘、积水保持传感器周围环境的稳定。k5O广州南创电子科技有限公司
3.及时记录传感器工作是各种数据以及RH10X-500T传感器本身性能的变化,通过对数据的分析来判断传感器是否处于正常的工作水平当中。k5O广州南创电子科技有限公司
4.在使用法国SCAIME称重传感器RH10X-100T进行测量称重时注意法国SCAIME称重传感器的量程是否大于被测物体的重量避免发生过载现象。k5O广州南创电子科技有限公司
除RH10X-100T称重传感器外其他热销型号、品牌推荐如下:k5O广州南创电子科技有限公司
S40AC3/200KGk5O广州南创电子科技有限公司
TSC-2000kgk5O广州南创电子科技有限公司
德国HBM传感器k5O广州南创电子科技有限公司
特迪亚(Tedea)称重传感器
k5O广州南创电子科技有限公司
k5O广州南创电子科技有限公司

本站内容未经许可禁止复制转载!©2002 广州南创电子科技有限公司

联系电话:020-82303306 公司传真:020-82303511下班及双休日请拨打各品牌负责人电话电话详情

备案号: 粤ICP备11086172号-1

经营性网站备案信息 安全网络中心 信息中心