11年专业销售工程师-徐工
15年专业销售工程师-谢工
9年专业销售工程师-王工
6年销售工程师-张工
项目产品选型、技术指导高级电器工程师-李工
| 分类 | |
| 品牌 |
| 分类 | |
| 品牌 |
| 分类 | |
| 品牌 |
| 分类 |
|
| 品牌 |
|
优势一:广州南创是一家大型传感器、仪器仪表、工业备品备件供应商!中国传感器联合会诚信“AAA”级成员,多家世界知名传感企业中国市场开拓核心合作伙伴;
优势二:完善的全国销售服务网络:12个区域办事处、20个分公司、遍布全国的售后服务网点,为您及时便捷实现上门无忧售后服务;
优势三:为国内多家知名大中型工业企业、航天工业企业提供国际工业自动化控制检测设备及工业称重系统和传感器设备仪表,紧密依托中科院及清华大学的技术支持合作交流。技术、产品可靠值得信赖;
优势四:郑重承诺:三个月内产品有质量问题无条件退换货;
优势五:资深工程师为您提供全方位完善的一条龙销售服务指导,售前专业方案设计、产品选型指导,售中安装调试,售后三年上门免费跟踪维修服务;
优势六:全国优势价格支持销售,凡在我们公司购买产品,如果同类产品高于主流市场价格,我们双倍补还差价,性价比高!
优势七:我公司在国外设有7个境外专业采购中心,保证原装进口,货期快捷,价格具有优势,可靠、放心
优势八:我公司代理经销169个品牌,全国同类产品系列全、品种多、多家知名企业中国合作伙伴代理。

|
|||||||||||||||||||||||||||||||||||||||||||
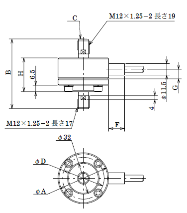
尺寸图


| UMM1-2T-20M传感器 日本NMB UMM1-2T-20M称重传感器所有量程型号: |
| 型 式 | 定 格 容 量 |
|---|---|
| UMM1(R/J)-50K | 490.3 N {50 kgf} |
| UMM1(R/J)-100K | 980.7 N {100 kgf} |
| UMM1(R/J)-200K | 1.961 kN {200 kgf} |
| UMM1(R/J)-500K | 4.903 kN {500 kgf} |
| UMM1(R/J)-1T | 9.807 kN {1 tf} |
| UMM1(R/J)-2T | 19.61 kN {2 tf} |
本站内容未经许可禁止复制转载!©2002 广州南创电子科技有限公司
联系电话:020-82303306 公司传真:020-82303511下班及双休日请拨打各品牌负责人电话电话详情
备案号: 粤ICP备11086172号-1