11年专业销售工程师-徐工
15年专业销售工程师-谢工
9年专业销售工程师-王工
6年销售工程师-张工
项目产品选型、技术指导高级电器工程师-李工
| 分类 | |
| 品牌 |
| 分类 | |
| 品牌 |
| 分类 | |
| 品牌 |
| 分类 |
|
| 品牌 |
|
优势一:广州南创是一家大型传感器、仪器仪表、工业备品备件供应商!中国传感器联合会诚信“AAA”级成员,多家世界知名传感企业中国市场开拓核心合作伙伴;
优势二:完善的全国销售服务网络:12个区域办事处、20个分公司、遍布全国的售后服务网点,为您及时便捷实现上门无忧售后服务;
优势三:为国内多家知名大中型工业企业、航天工业企业提供国际工业自动化控制检测设备及工业称重系统和传感器设备仪表,紧密依托中科院及清华大学的技术支持合作交流。技术、产品可靠值得信赖;
优势四:郑重承诺:三个月内产品有质量问题无条件退换货;
优势五:资深工程师为您提供全方位完善的一条龙销售服务指导,售前专业方案设计、产品选型指导,售中安装调试,售后三年上门免费跟踪维修服务;
优势六:全国优势价格支持销售,凡在我们公司购买产品,如果同类产品高于主流市场价格,我们双倍补还差价,性价比高!
优势七:我公司在国外设有7个境外专业采购中心,保证原装进口,货期快捷,价格具有优势,可靠、放心
优势八:我公司代理经销169个品牌,全国同类产品系列全、品种多、多家知名企业中国合作伙伴代理。
【广州★南创】:西班牙尤梯尔传感器MOD650-500kg,高工020-82303306。
产品名称:MOD650-500kg,西班牙尤梯尔 MOD650-500kg称重传感器,尤梯尔 MOD650-500kg传感器
产品型号:MOD650-500kg,MOD650-250kg,MOD650-1000kg,MOD650-2000kg,MOD650-5000kg,MOD650-7500kg
产品品牌:西班牙尤梯尔传感器
产品类型:尤梯尔称重传感器
尤梯尔 MOD650-500kg称重传感器技术特点:
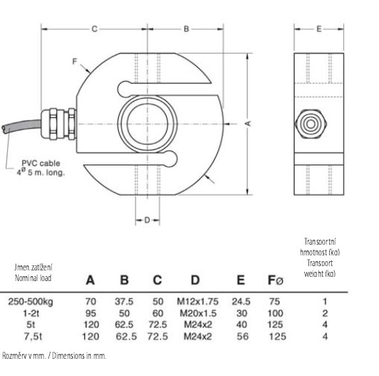
250 - 500 - 1000 - 2000 - 5000 - 7500千克
Célula CARGA tracción/compresión
CONSTRUCCION阿塞罗inoxidable
Herméticamentesoldada,PROTECCION IP 68(EN60529)
3000 divisiones O.I.M.L.R60长C
Disponible版本ATEX(opcional)透明0-1-2(气)Y20-21-22(波尔沃)
通过TE12,TE20,TE24 250千克:2000N。 OIML
尤梯尔 MOD650-500kg传感器选型指南:
容量(磅) A B C D E
5 K到10 K 140 ( 5.50 ) 32 ( 1.25 ) 76 ( 3.00 ) 76 ( 3.00 ) 1-14 NS
20 K到50千165 ( 6.50 ) 51 ( 2.00 ) 64 ( 2.50 ) 76 ( 3.00 ) 11/2-12 UNF
75 K到100 K时200 ( 7.88 ) 64 ( 2.53 ) 72 ( 2.84 ) 76 ( 3.00 ) 21/4-12
150 K至200 K, 260 ( 10.25 ) 83 ( 3.25 ) 95 ( 3.75 ) 102 ( 4.10 ) 3-8
250 〜300 K范围323 ( 12.75 ) 114 ( 4.50 ) 95 ( 3.75 ) 141 ( 5.56 ) 4-8
400 K到600 K表381 ( 15.00 ) 142 ( 5.63 ) 95 ( 3.75 ) 168 ( 6.63 ) 5-8
750 K至1,000 K 444 ( 17.50 ) 168 ( 6.63 ) 108 ( 4.25 ) 219 ( 8.63 ) 6-8
订货(指定型号) 1.8米( 6英尺)电缆或带整体连接器型容量电缆类型CONN,样式价格相容计量**
5000磅2269公斤LC702 -5K LC712 -5K 645美元干粉吸入剂, DP41 -S , DP25B -S
万磅4537千克LC702 -10K LC712 -10K 645的DPI , DP41 -S , DP25B -S
20000磅9074公斤LC702 -20K LC712 -20K 645的DPI , DP41 -S , DP25B -S *
30000磅13612千克LC702 -30K LC712 -30K 645的DPI , DP41 -S , DP25B -S *
50000磅22686千克LC702 - 50K LC712 - 50K 645的DPI , DP41 -S , DP25B -S *
100000磅45372公斤LC702 -100K LC712 -100K 995的DPI , DP41 -S , DP25B -S *
150000磅68058公斤LC702 -150K LC712 -150K 995的DPI , DP41 -S , DP25B -S *
200000磅90744千克LC702 -200K LC712 -200K 1200的DPI , DP41 -S , DP25B -S *
300000磅136116公斤LC702 -300K LC712 -300K 1650的DPI , DP41 -S , DP25B -S *
500000磅226860公斤LC702 -500K LC712 -500K †干粉吸入剂, DP41 -S , DP25B -S *
西班牙尤梯尔 MOD650-500kg传感器
MOD650-5kg MOD650-10kg MOD650-25kg MOD650-50kg MOD650-75kg MOD650-100kg MOD650-500kg MOD650-500kg MOD650-750kg MOD650-1t MOD650-1.5t MOD650-2t MOD650-2.5t MOD650-5t MOD650-7.5t MOD650-10t MOD650-20t MOD650-50kgSS MOD650-75kgSS MOD650-100kgSS MOD650-500kgSS MOD650-500kgSS MOD650-750kgSS .MOD650-1tSS MOD650-1.5Tss MOD650-2Tss MOD650-2.5tSS MOD650-5tSS MOD650-7.5tSS MOD650-10tSS MOD650-20t MOD650-50 lb MOD650-100 lb MOD650-150 lb MOD650-200 lb MOD650-300 lb MOD650-500 lb MOD650-750 lb MOD650-1K lb MOD650-1.5K lb MOD650-2K lb MOD650-2.5K lb MOD650-3K lb MOD650-5K lb MOD650-7.5K lb MOD650-10K lb MOD650-15K lb MOD650-30K lb MOD650-40K lb MOD650-50kgXS MOD650-75kgXS MOD650-100kgXS MOD650-500kgXS MOD650-500kgXS MOD650-750kgXS

声明:以上产品信息均来自网上公开信息转载。
本站内容未经许可禁止复制转载!©2002 广州南创电子科技有限公司
联系电话:020-82303306 公司传真:020-82303511下班及双休日请拨打各品牌负责人电话电话详情
备案号: 粤ICP备11086172号-1