11年专业销售工程师-徐工
15年专业销售工程师-谢工
9年专业销售工程师-王工
6年销售工程师-张工
项目产品选型、技术指导高级电器工程师-李工
| 分类 | |
| 品牌 |
| 分类 | |
| 品牌 |
| 分类 | |
| 品牌 |
| 分类 |
|
| 品牌 |
|
优势一:广州南创是一家大型传感器、仪器仪表、工业备品备件供应商!中国传感器联合会诚信“AAA”级成员,多家世界知名传感企业中国市场开拓核心合作伙伴;
优势二:完善的全国销售服务网络:12个区域办事处、20个分公司、遍布全国的售后服务网点,为您及时便捷实现上门无忧售后服务;
优势三:为国内多家知名大中型工业企业、航天工业企业提供国际工业自动化控制检测设备及工业称重系统和传感器设备仪表,紧密依托中科院及清华大学的技术支持合作交流。技术、产品可靠值得信赖;
优势四:郑重承诺:三个月内产品有质量问题无条件退换货;
优势五:资深工程师为您提供全方位完善的一条龙销售服务指导,售前专业方案设计、产品选型指导,售中安装调试,售后三年上门免费跟踪维修服务;
优势六:全国优势价格支持销售,凡在我们公司购买产品,如果同类产品高于主流市场价格,我们双倍补还差价,性价比高!
优势七:我公司在国外设有7个境外专业采购中心,保证原装进口,货期快捷,价格具有优势,可靠、放心
优势八:我公司代理经销169个品牌,全国同类产品系列全、品种多、多家知名企业中国合作伙伴代理。
【广州★南创】:西班牙尤梯尔称重传感器MOD120-30kg,高工020-82303306。
产品名称:MOD120-30kg,西班牙尤梯尔MOD120-30kg称重传感器,尤梯尔MOD120-30kg传感器
产品型号:MOD120-30kg,MOD120-10kg,MOD120-7.5kg,MOD120-20kg,MOD120-25kg,MOD120-50kg,MOD120-75kg,MOD120-100kg,MOD120-150kg,MOD120-200kg,MOD120-250kg
产品品牌:西班牙尤梯尔称重传感器
产品类型:尤梯尔称重传感器
尤梯尔MOD120-30kg称重传感器技术特点:
•双弯梁式称重传感器
•从铍铜合金测量元件
•4000审判庭, 7,5 - 31公斤, 3000师50 - 250公斤 O.I.M.L. R60 C类
•防止湿度高达95% (北卡罗来纳州)
•单点式称重传感器。高精确度与偏心负荷
•6线(检测)电气连接
•集成的中心过载保护(必须用150%的最大调整)
尤梯尔MOD120-30kg传感器相关型号:
MOD100-0.3KG MOD100-0.6KG MOD100-1.2KG MOD100-3KG; MOD100-2kg MOD100-3kg MOD100-5kg ;
MOD120-30kg MOD120-10kg MOD120-30kg MOD120-20kg MOD120-30kg MOD120-50kg ;
MOD140-3KG MOD140-5KG MOD140-8KG MOD140-15KG MOD140-20KG MOD140-30KG MOD140-50KG MOD140-75KG MOD140-100KG ;
MOD160-15kg MOD160-20kg MOD160-30kg MOD160-50kg MOD160-75kg MOD160-100kg MOD160-150kg ;
MOD180-50KG MOD180-75KG MOD180-120KG MOD180-200KG MOD180-250KG MOD180-350KG MOD180-400KG ;
MOD200-2kg MOD200-3kg MOD200-5kg MOD200-7.5kg MOD200-10kg MOD200-15kg MOD200-20kg MOD200-30kg ;
MOD220-7.5kg MOD220-12kg MOD220-18kg MOD220-36kg ;MOD220-5kg MOD220-7.5kg MOD220-10kg MOD220-15kg MOD220-20kg MOD220-35kg ;
MOD120-30kg传感器参数:
7,5 - 250 kg额定容量(LN ) 7,5 - 75公斤200 % LN (1) 7,5 - 75公斤 100 - 250公斤150 % LN( 1 )100 - 250公斤
3000/4000 n.OIML精度等级
0 % LN最小静负荷 Minimální mrtvá hmotnost
150 % LN( 1 )服务的负载 Pracovní zatíÏení
安全极限载荷极限 bezpeãného zatíÏení
0013 %的Sn ( 2 )总误差 Celková chyba <
0,01 %的Sn重复性误差 Chyba opakovatelnosti <
漂移:温度影响:Teplotní
零0,01 % Sn/5K nule <
上sesitivity 0,006 % Sn/5K známé hodnotû <
0012 %的Sn蠕变误差(30分钟) Chyba teãení ( 30 MINUT ) <
-10 ... +40 ° C温度补偿 Jmenovit ˘ teplotní rozsah
-20 ... +50°C北部沿海地区的限制 Limitní teplotní rozsah
10 % mV /视频( 3 )标称灵敏度等(SN ) Jmenovitá citlivost (Sn)的2
10 V额定输入电压 Jmenovité napájecí napûtí
15 V最大输入电压 Maximální napájecí napûtí
阻抗400 20 攀枝花钢铁集团阻抗Vstupní
斯图普尼多阻抗350 3 输出阻抗
2 %的Sn无负载输出 公差V ˘ stupu nule <
> 5000 M 绝缘电阻 Izolaãodpor ní
0,2 - 0,4 mm最大挠度(在LN ) Maximální ohyb (NA号法律公告)
- PLO ‰ inové Snímaãe síly


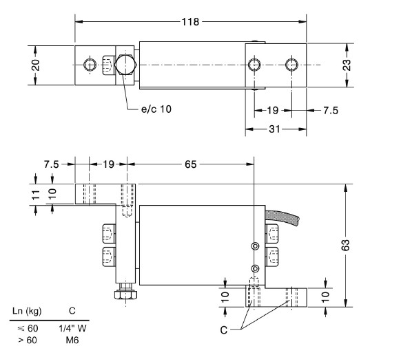
MOD120-30kg称重传感器的安装及选型:
称重传感器 - 平台 120型
7,5公斤... 250千克
• Dvojit ˘ ohybov ˘ snímaã
• Mûfiící prvek Ž铍 - mûdûné slitiny
• 4000 dílkÛ亲7,5 - 31公斤, 3000 dílkÛ亲50 - 250公斤DLE OIML doporuãeno R60 tfiída ç
• Ochrany proti relativní vlhkosti做95 % BEZ kondenz 。
• Jednobodov ˘ snímaã , vysoká pfiesnost s excentrick ˘米zatíÏením
• estivodiãové zapojení
• Integrovaná stfiedová ochrana proti pfietíÏení (穆西b ˘吨nastavena呐150 %最大)
意义: 2 pfiívody K表udrÏení konst 。 napájecího napûtí snímaães pouÏitím vhodného埃尔。 zafiízení , zvlá ‰恩ü dlouhého vedení一‰ irokého teplotního rozsahu Stínûní : Není spojeno s tûlem snímaãe 。
感官: 2个额外的电线,以维持一个恒定的电压用合适的仪器使用时提供的称重传感器。使用特别是当长的电线和植物光系统广范围盾:未连接到传感器主体。
1 Pouze ü stfiedového zatíÏení呐snímaãi
2 Celková chyba BEZ线性一hystereze
3 0,1%毫伏/ V V ˘波罗夫˘
1 只有中央载荷称重传感器上。不为偏离中心负载
2 总误差:非线性度和迟滞
3 0,1%毫伏/ V可选
Hmotnost重量:250g ( 7,5-20公斤)
Rozmûry V MM 400克( 30-60公斤)
尺寸在毫米460克( 75-250公斤)
型号Jmenovitá váÏivost Minimální迪莱克Velikost巴解组织‰ INY
型号标称容量最小间隔平台AXB毫米
声明:以上产品信息均来自网上公开信息转载。
本站内容未经许可禁止复制转载!©2002 广州南创电子科技有限公司
联系电话:020-82303306 公司传真:020-82303511下班及双休日请拨打各品牌负责人电话电话详情
备案号: 粤ICP备11086172号-1