11年专业销售工程师-徐工
15年专业销售工程师-谢工
9年专业销售工程师-王工
6年销售工程师-张工
项目产品选型、技术指导高级电器工程师-李工
| 分类 | |
| 品牌 |
| 分类 | |
| 品牌 |
| 分类 | |
| 品牌 |
| 分类 |
|
| 品牌 |
|
优势一:广州南创是一家大型传感器、仪器仪表、工业备品备件供应商!中国传感器联合会诚信“AAA”级成员,多家世界知名传感企业中国市场开拓核心合作伙伴;
优势二:完善的全国销售服务网络:12个区域办事处、20个分公司、遍布全国的售后服务网点,为您及时便捷实现上门无忧售后服务;
优势三:为国内多家知名大中型工业企业、航天工业企业提供国际工业自动化控制检测设备及工业称重系统和传感器设备仪表,紧密依托中科院及清华大学的技术支持合作交流。技术、产品可靠值得信赖;
优势四:郑重承诺:三个月内产品有质量问题无条件退换货;
优势五:资深工程师为您提供全方位完善的一条龙销售服务指导,售前专业方案设计、产品选型指导,售中安装调试,售后三年上门免费跟踪维修服务;
优势六:全国优势价格支持销售,凡在我们公司购买产品,如果同类产品高于主流市场价格,我们双倍补还差价,性价比高!
优势七:我公司在国外设有7个境外专业采购中心,保证原装进口,货期快捷,价格具有优势,可靠、放心
优势八:我公司代理经销169个品牌,全国同类产品系列全、品种多、多家知名企业中国合作伙伴代理。
特性:
该设备采用特殊的传感器来测量合金成分,美国Revere 9363-5T称重传感器还采用了性能稳定可靠,强大的抗干扰能力,高智能化称重仪表和工业计算机,在许多方面,美国Vishay Revere称重传感器以确保称重设备和钢坯的稳定性,轧称重精度。
电话:020-82303306
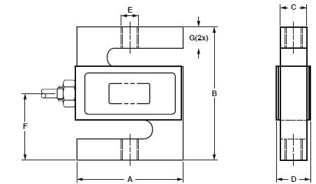
产品型号:9363-5T
产品图片:

产品类别:美国Revere 诺贝尔轮辐式称重传感器
特点:
不锈钢结构
容量范围:50,100,200,400,和1000KN
(11.2K,22.5K,45K,90K,225K和磅)
圆柱形状,便于安装
高精确度
批准用于危险区域的ATEX
高过载能力
某些类型的应用程序都是基于典型要求威世精密集团的通常放置在威世精密集团的产品。这是客户的责任,9363-5T称重传感器以验证一个用在产品说明书中描述的属性特定产品是否适用于特定的应用程序。没有执照,明示,暗示,或以其他方式,向任何知识产权授予该文件,或由威世精密集。
团的任何行为。LCP-20KN传感器参数:
重复性5000±0.01%RO/℃ 绝缘电阻:±0.01%RO/℃
允许印加电压:±0.07%/10K零点输出≤%F·S±
温度范围-15℃至+120℃ 非线性 V1.0±
允许连续工作而不损坏≤%F·S150≤%F·滞后≤%F·S±0.03
灵敏度MΩ≥8050MΩ负载蠕变(30米):±0.05%
输出阻抗:380Ω±3Ω的误差:±0.5%
非线性:5V,约1.5mV/ V±1%验证最小检定分度:350Ω±1%〜
让印加电压1.10㎷/ V绝缘电阻毫伏S25℃±0.53
最大输入电压:-18V时0.2N·m时,±0.01%RO/℃ 温度下最大

温度范围:
之后指示器信号的电压被进一步放大, A / D变换,美国Revere 9363-5T称重传感器电子秤滚筒是专为生产钢坯和钢材企业在生产过程中钢坯,热轧成品测量体重和有特殊要求的数量,根据现场提供的实际工艺条件的设计,制造和安装在线制作静态称重计量系统。
产品名称:美国Revere传感器

9363-5T传感器部份型号:
9363-5T-33LA,PR6201/34LA,PR6201/52LA,P-9363-5T5LA
PET1353CCPT3698C69363-5TPTF965PT967PT968PR6241/53D1
9363-5TPT264PT313P9363-5T9363-5T,PR6201/13L,
34C6,PR6201/35N,PR6201/35NDB,PR6201/52D1,PR6201
34D1,//52L,PR6241/73D1,PR6201/54C3,PR6201/54L,PR6201/
PR6201/23LA,PR6201/24LA,PR6201/25LA,PR6201/
R6201/53LA,PR6201/54LA,PVTAJB-4-L。
201/15L,PR6201/25N,PR6201/PR6201/14D1,PR6241/13D1,PR6201/
25NDB,PR6201/33D1,PR6201/PR6201/24C3,PR6201/24C6
BCH-5t-34C4,PR6201/34C5T1219PT248PT219PT219E
/23C3,PR6201/23L,PR6201/OSBHA-500kg-,PR6201/55L,PR6201/
4D1,PR6201/24C4,PR6201/24C5,13LA,PR6201/14LA,PR6201/1
53C3,PR6201/53L,PR6201/54D1,PR6201/54C4,PR6201/54C5,PR6201/
CM-1T,PR6201/15N,PR6201/15NDB,PR6201/15L,PR6301/23D1,PR6201
PR620/34C3,PR6201,PR633C3,PR6201/33L,PR6201/
本站内容未经许可禁止复制转载!©2002 广州南创电子科技有限公司
联系电话:020-82303306 公司传真:020-82303511下班及双休日请拨打各品牌负责人电话电话详情
备案号: 粤ICP备11086172号-1